Products

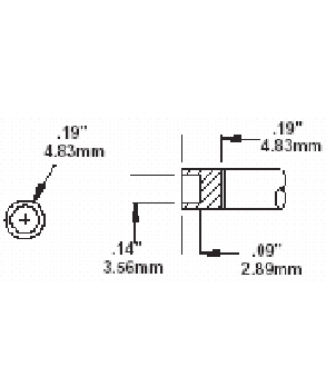
Special shaped soldering iron tip

Special shaped soldering iron tip


DESCRIPTION
展开
Baidu
map